Need help finding your solution?

Get in contact with our team

Need help ?

Navigation

Connecting endless possibilities

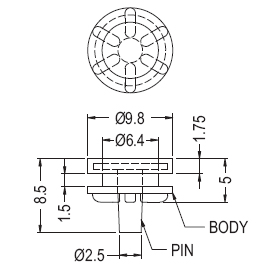
Grommets, anti-vibrate

Anti-vibrate grommets, made of TPE

Material

TPE

Colour

Black Blue

Standard grommets

Shock-absorbing grommets

Partnumber
28090225