Grommets, blind, with PG membrane, made of TPE
Material
TPE
Temperature
-50 to 125°C
Colour
Black
Halogen-free
True
Resistance to ageing
Very good
Resistance to organic solvents
Reasonably good
Resistance to oils
Reasonably good
Resistance to ozone
Good
Resistance to fuels
Reasonably good
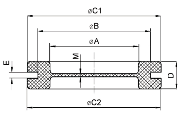
Standard grommets
(Notched) membrane
| Partnumber | Panel hole | Panel thickness | A | C | C2 | D | M |
|---|---|---|---|---|---|---|---|
| mm | mm | mm | |||||
| 14402216 | 22 | 2 | 16 | 27.5 | 26 | 7.4 | 1 |
| 14402248 | 60 | 2.7 | 47 | 67 | 67 | 10.3 | 1.5 |
| 14402236 | 47 | 2.5 | 35.5 | 53 | 53 | 10 | 1.2 |
| 14402221 | 28 | 2 | 21 | 34.5 | 34.5 | 8 | 1 |
| 14402209 | 15 | 2 | 9 | 20 | 18 | 7 | 1 |
| 14402211 | 18 | 2 | 11 | 22.5 | 21.5 | 7 | 1 |
| 14402229 | 37 | 2.2 | 29 | 43.5 | 43.5 | 9.5 | 1.3 |
| 14402213 | 20 | 2 | 13.5 | 24 | 24 | 7 | 1 |