Need help finding your solution?

Get in contact with our team

Need help ?

Navigation

Connecting endless possibilities

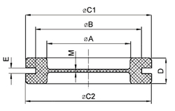
Grommets DG, metric PVC membrane, black

Grommets DG, metric PVC membrane, black

Material

PVC

Temperature

-30 to 70°C

Colour

Black

Standard grommets

(Notched) membrane

PartnumberPanel holePanel thicknessACC2DM
mmmmmm
14412031 28 2 21 34.5 34.5 8 1
14412032 32 2 29 43 43 9 1.5
14412030 20 2 13.5 24 24 7 1