Need help finding your solution?

Get in contact with our team

Need help ?

Navigation

Connecting endless possibilities

Grommets DE

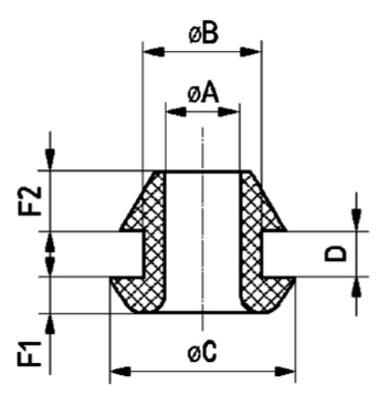
Grommets, cable entry, tapered edges, made of polychloroprene

Material

Polychloroprene

Temperature

-30 to 90°C

Colour

Black

Resistance to ageing

Very good

Resistance to organic solvents

Reasonably good

Resistance to oils

Reasonably good

Resistance to ozone

Good

Resistance to fuels

Reasonably good

Standard grommets

Cable entry, standard line

PartnumberCable diameter (A)Panel hole (B)Panel thickness (D)CF1F2
mmmmmm
14401819 6.5 10 1.5 16 3 5
14401835 6.5 10 3 16 3 5
14401827 6.5 10 2 16 3 5
14401800 6.5 10 1 16 3 5