Need help finding your solution?

Get in contact with our team

Need help ?

Navigation

Connecting endless possibilities

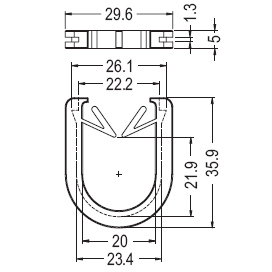
Snap square bushings, black

Snap square bushings, made of nylon

Colour

Black

Flame class

UL94V-2

Standard grommets

Snap bushings

Partnumber
28090229