Need help finding your solution?

Get in contact with our team

Need help ?

Navigation

Connecting endless possibilities

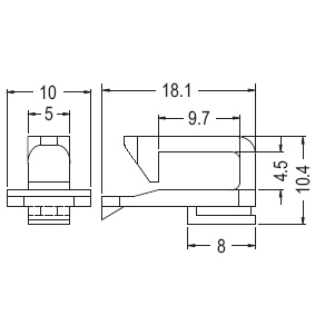
Wire routing clips (01)

Wire routing clips

Mounting method

Plug

Material

Nylon 66

Flame class

UL94V2

Approvals

UL

PartnumberColour
28090204 Natural