Need help finding your solution?

Get in contact with our team

Need help ?

Navigation

Connecting endless possibilities

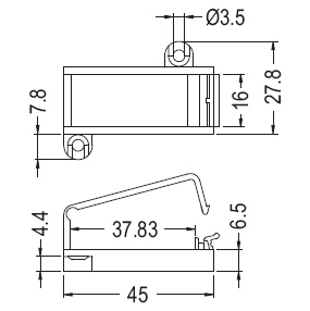
Side entry wire clamps, screw-mount (04)

Side entry wire clamps, screw-mount

Mounting method

Screw

Material

Nylon 66

Flame class

UL94V2

Approvals

UL

PartnumberColourWidthLength
28090191 Natural 27.8 45