Need help finding your solution?

Get in contact with our team

Need help ?

Navigation

Connecting endless possibilities

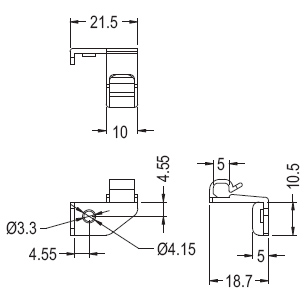
Side entry wire clamps, screw-mount (02)

Side entry wire clamps, screw-mount

Material

Nylon 66

Flame class

UL94V2

Approvals

UL

PartnumberColour
28090202 Natural