Need help finding your solution?

Get in contact with our team

Need help ?

Navigation

Connecting endless possibilities

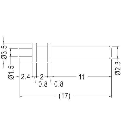
Test pin (15)

Test pin, gold plated brass

Application

Test pins

Material

Brass

Partnumber
20134031