Need help finding your solution?

Get in contact with our team

Need help ?

Navigation

Connecting endless possibilities

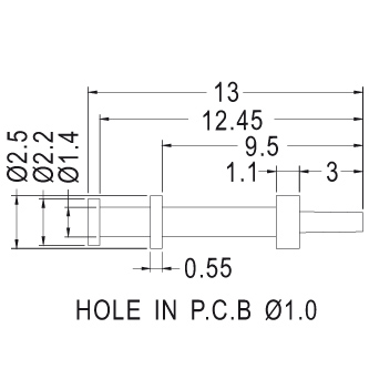
Test pin (08)

Test pin, gold plated copper

Application

Test pins

Material

Copper

Partnumber
20134020