Need help finding your solution?

Get in contact with our team

Need help ?

Navigation

Connecting endless possibilities

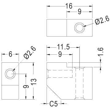
Spacers, screw (10)

Spacers

Type

Screw

Material

Nylon

Flame class

UL-94-V2

Partnumber
28004229