Need help finding your solution?

Get in contact with our team

Need help ?

Navigation

Connecting endless possibilities

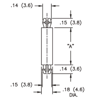
PCB support post (33)

PCB support post

Top hole

3.18mm

Top panel thickness

1.57mm

Bottom hole

3.18mm

Bottom panel tickness

1.57mm

Material

Nylon

Flame class

UL-94-V2

Shape

Dual locking

PartnumberA
27102912 6.4
27103016 31.7
27103958 28.6
27103960 22.2
27102916 7.9
27103956 14.3
27102913 3.2
27102914 4.8
27103019 25.4
27102964 17.5
27102963 15.9
27103953 11.1
27103020 19.1
27103959 34.9
27103957 20.6
27103961 38.1
27103952 9.5
27103955 12.7