Need help finding your solution?

Get in contact with our team

Need help ?

Navigation

Connecting endless possibilities

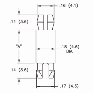
PCB support post (32)

PCB support post

Top hole

3.86mm

Top panel thickness

1.57mm

Bottom hole

3.86mm

Bottom panel tickness

1.57mm

Material

Nylon

Flame class

UL-94-V2

PartnumberA
27103054 14.3
27103031 38.1
27103051 31.7
27103030 12.7
27103006 25.4
27103017 6.4
27103021 9.5
27103057 22.2
27103049 17.5
27103053 15.9
27103025 11.1
27103080 4.8
27103056 19.1
27103050 20.6
27103052 34.9
27103005 3.2
27103015 7.9
27103008 31.7