Need help finding your solution?

Get in contact with our team

Need help ?

Navigation

Connecting endless possibilities

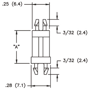
PCB support post (31)

PCB support post

Top hole

4mm

Top panel thickness

1.57mm

Bottom hole

4.75mm

Bottom panel tickness

1.57mm

Material

Nylon

Flame class

UL-94-V2

Shape

Dual locking

PartnumberA
27103806 19.1
27103801 6.4
27103804 12.7
27103807 22.2
27103808 25.4
27103802 9.5
27103800 4.8
27103805 15.9