Need help finding your solution?

Get in contact with our team

Need help ?

Navigation

Connecting endless possibilities

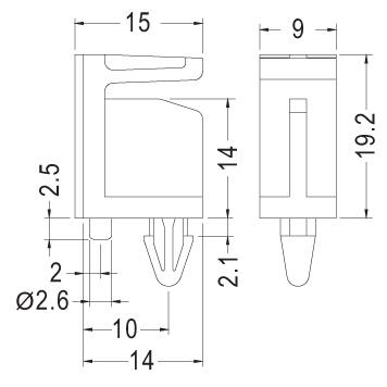
PCB edge spacer (03)

PCB edge spacer

Material

Nylon

Flame class

UL-94-V2

Partnumber
28003476