Need help finding your solution?

Get in contact with our team

Need help ?

Navigation

Connecting endless possibilities

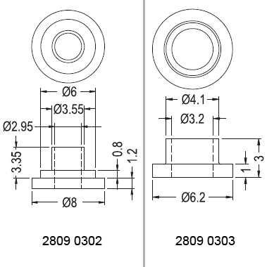
Transistor washer (12)

Transistor washer

Application

Transistor resistor & crystal washers

Material

PPS

Flame class

UL-94-V0

Colour

Black Natural

Partnumber
28090303
28090302