Need help finding your solution?

Get in contact with our team

Need help ?

Navigation

Connecting endless possibilities

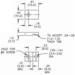
Transistor insulator (01)

Material: glass filled Nylon

Application

Transistor insulators

Material

Nylon

Flame class

94HB

Colour

Black

Partnumber
27300570