Need help finding your solution?

Get in contact with our team

Need help ?

Navigation

Connecting endless possibilities

Transistor housing (15)

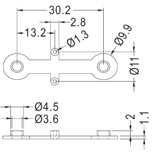
Transistor housing

Application

Transistor housings

Material

Nylon

Flame class

UL-94-V0 UL-94-V2

Colour

Natural

Partnumber
28041799