Need help finding your solution?

Get in contact with our team

Need help ?

Navigation

Connecting endless possibilities

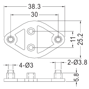
Transistor housing (13)

Transistor housing

Application

Transistor housings

Material

Nylon

Flame class

UL-94-V2

Colour

Natural

Partnumber
28041599