Need help finding your solution?

Get in contact with our team

Need help ?

Navigation

Connecting endless possibilities

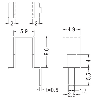
Transistor clamp (07)

Transistor clamp

Application

Transistor clamps

Material

Tin plated

Partnumber
28043368