Need help finding your solution?

Get in contact with our team

Need help ?

Navigation

Connecting endless possibilities

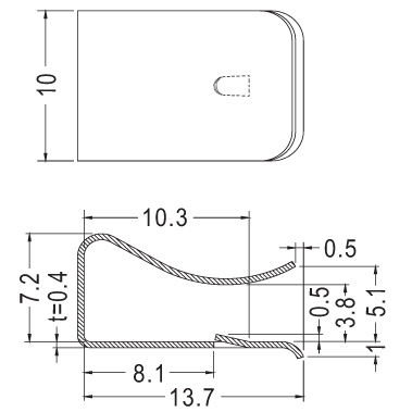
Transistor clamp (03)

Transistor clamp

Application

Transistor clamps

Material

SUS301

Partnumber
28042938