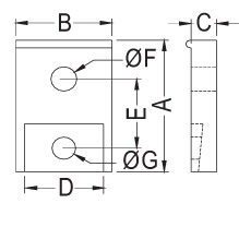
Transistor cover
Application
Transistor covers
Note
For all dimensions see pdf
Material
Nylon PTB
Flame class
UL-94-V0
Colour
Black Natural
| Partnumber | A | B | C | D | E |
|---|---|---|---|---|---|
| mm | |||||
| 28040021 | TC-3 | ||||
| 28040003 | 19 | 18 | 6 | 10.5 | TC-2 |
| 28040006 | 30 | 18 | 6 | 17 | TC-19 |
| 28040022 | TC-4 | ||||
| 28040004 | 22.5 | 5.5 | 10.5 | 15 | TC-16 |
| 28040027 | TC-9 | ||||
| TC-8 | |||||
| 28040024 | TC-6 | ||||
| 28040005 | 16 | 13 | 10.7 | 8 | TC-18 |
| 28040001 | 19.3 | 13 | 10.7 | 10 | TC-1A |
| 28040025 | TC-7 | ||||
| 28040002 | 13 | 5.5 | 10.7 | 9.3 | TC-1C |
| 28040031 | |||||
| 28040023 | TC-5A | ||||
| 28040030 | TC-13 | ||||
| 28040029 | TC-11 | ||||
| TC-10 | |||||
| 28040000 | 16 | 13 | 5.4 | 10.7 | TC-1 |