Need help finding your solution?

Get in contact with our team

Need help ?

Navigation

Connecting endless possibilities

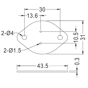
Silicon insulator (01)

Silicon insulator

Application

Silicon insulators

Material

Silicon

Flame class

UL-94-V0

Approvals

UR

Colour

Grey

Partnumber
28044418