Need help finding your solution?

Get in contact with our team

Need help ?

Navigation

Connecting endless possibilities

Photo TR (08)

Photo TR

Application

Photo TR

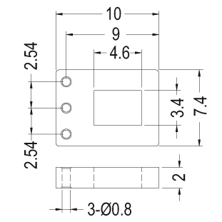
Material

Nylon

Flame class

UL-94-V2

Colour

Natural

Partnumber
28082780