Need help finding your solution?

Get in contact with our team

Need help ?

Navigation

Connecting endless possibilities

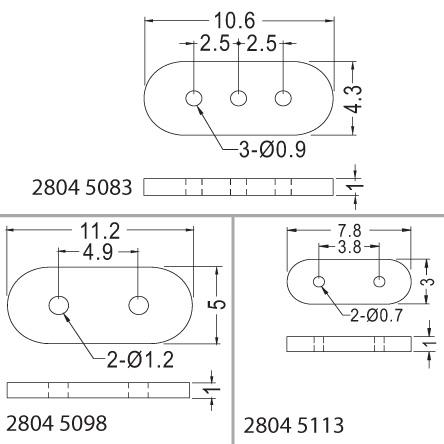
Crystal washer (02)

Crystal washer

Application

Transistor resistor & crystal washers

Material

Nylon

Flame class

UL-94-V2

Colour

Natural

Partnumber
28045098
28045083
28045113