Need help finding your solution?

Get in contact with our team

Need help ?

Navigation

Connecting endless possibilities

Capacitor washer (01)

Capacitor washer

Application

Capacitor cover & washers

Material

Nylon

Flame class

UL-94-V2

Colour

Natural

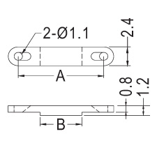
PartnumberAB
28045545 10.1 5
28045544 7.6 4