Need help finding your solution?

Get in contact with our team

Need help ?

Navigation

Connecting endless possibilities

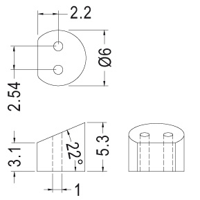
Round LED spacer 68 degrees

Round LED spacer 68 degrees

Application

LED spacers

Material

ABS

Angle

68

Flame class

94-HB

Partnumber
28016615