Need help finding your solution?

Get in contact with our team

Need help ?

Navigation

Connecting endless possibilities

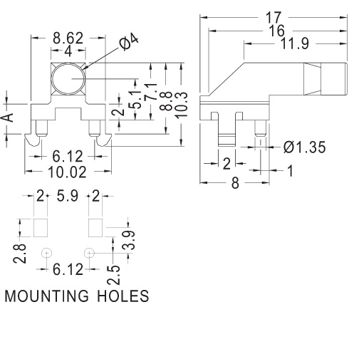
Light pipe - SMT LED (01)

Light pipe - SMT LED

Application

Light pipes

Material

PC

Colour

Clear

Flame class

UL-94-V0

PartnumberAB
28021041 3.7 10.3
28021042 4.1 10.7