Need help finding your solution?

Get in contact with our team

Need help ?

Navigation

Connecting endless possibilities

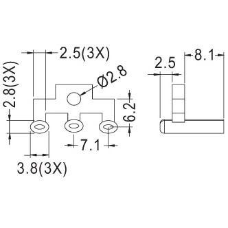
Light pipe (12)

Light pipe

Application

Light pipes

Material

PC

Colour

Clear

Flame class

UL-94-V0

Partnumber
28020841