Need help finding your solution?

Get in contact with our team

Need help ?

Navigation

Connecting endless possibilities

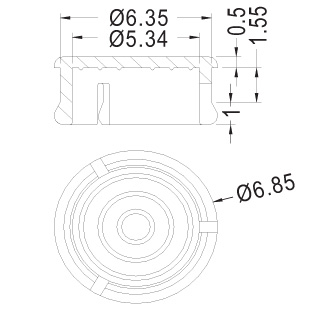
Lens cap (03)

Lens cap

Application

Lens caps

Material

PC

Colour

Natural

Flame class

UL-94-V2

Partnumber
28019377