Need help finding your solution?

Get in contact with our team

Need help ?

Navigation

Connecting endless possibilities

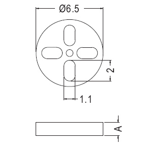
LED holder (01)

LED holder

Application

LED holders & masks

Material

TPE

Colour

Black

PartnumberA
28090151 1.3
28090152 7.9