Need help finding your solution?

Get in contact with our team

Need help ?

Navigation

Connecting endless possibilities

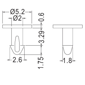
Mounting button (09)

Mounting button

Application

Plastic mounting buttons

Material

Nylon 66

Colour

Grey

Flame class

UL-94-V2

Partnumber
28071000