Need help finding your solution?

Get in contact with our team

Need help ?

Navigation

Connecting endless possibilities

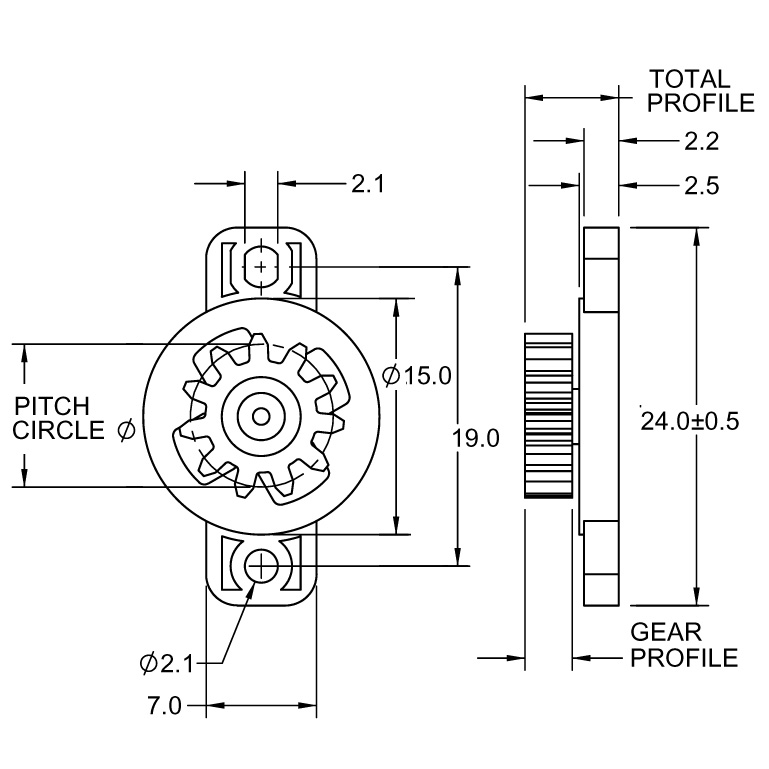
Rotary damper (08)

Rotary damper

Type

Rotary damper

Pressure angle

20

PartnumberTorque
27102242 20
27102243 30
27102246 100
27102244 45
27102245 60