Need help finding your solution?

Get in contact with our team

Need help ?

Navigation

Connecting endless possibilities

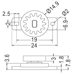
Rotary damper (05)

Rotary damper

Type

Rotary damper

Pitch circle diameter

10.4

No. of teeth

13

Pressure angle

20

Partnumber
28062427