Need help finding your solution?

Get in contact with our team

Need help ?

Navigation

Connecting endless possibilities

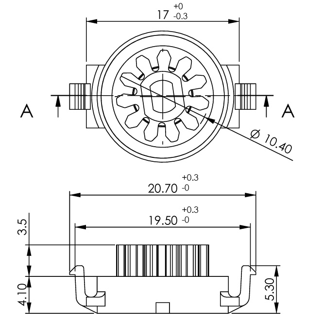
Rotary damper (11)

Rotary damper

Type

Rotary damper

Pitch circle diameter

8.8

No. of teeth

11

Pressure angle

20

PartnumberTorque
27102255 40
27102254 20