Need help finding your solution?

Get in contact with our team

Need help ?

Navigation

Connecting endless possibilities

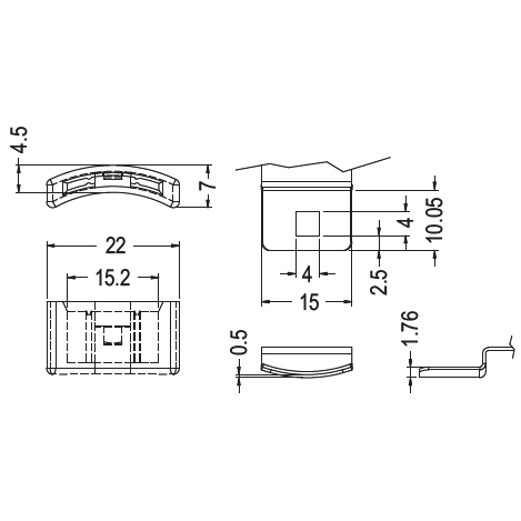
Handle (13)

Handle

Material

PC+ABS

Colour

Black Orange

Flame class

UL94V0 or UL94V2

Partnumber
28090279