Get in contact with our team
Need help ?
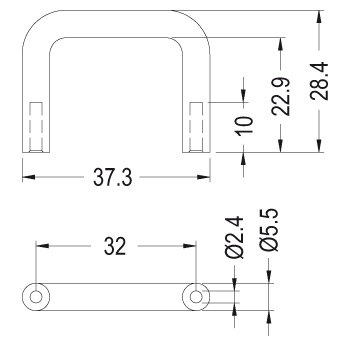
Handle
Material
PC+ABS
Colour
Black
Flame class
UL-94-V2
We would be delighted to assemble these products for you.